常州市百得干燥工程有限公司
—— Changzhou Baide Drying Engineering Co., Ltd ——
- 联系电话
- 0519-8918 6676

根据PTFE悬浮树脂的性质及成型加工要求,其干燥方法主要有流化床干燥、真空干燥和气流干燥等。由于PTFE粉料高温下易粘壁、团聚,且洁净度要求极高,选择合适的干燥系统对PTFE行业产品质量的提高起着重要的推动作用,而PTFE产品质量的提高、应用领域的不断扩展也推动着干燥…
新型真空单锥干燥机非常适合粉末涂料固化剂HAA的后续干燥过程,尤其是其内加热螺带具有柔和搅拌破碎功能,大大降低结团现象,同时提高干燥效率,为满足客户对于HAA的外观、性能等需求,可进一步改进该设备,实现更好的产品外观,符合实际应用要求。
在硬质合金混合料闭式喷雾干燥塔生产中,为了制取压制性能好的混合料,必须对喷雾干操设备和工艺技术进行全面了解掌握,严格控制喷雾干操生产过程中的干燥温度、喷雾压力、加热气体的流量、混合料浆浓度、石蜡的加入量等工艺条件,才能保证混合料的产量和质量。
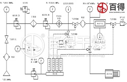
高纯度氟虫腈采用溶剂法进行重结晶提纯制备得到,是一种广谱高效杀虫剂,暴露在空气中和受潮极易分解、氧化,甚至会燃烧、爆炸。在氟虫腈后处理过程中,干燥是一个重要的生产工序。密闭沸腾干燥机自动化程度高,安全性高,全套流程全自动控制。
常州百得携防爆闭路循环喷雾干燥机进入低分子量聚苯醚树脂新材料行业,必将促进此领域干燥设备和生产工艺的发展,闭式循环喷雾干燥设备采用氮气作为循环载体的全密闭式设计,在干燥时干燥产品的收率很高,是其他型式干燥器所达不到的。
新型脉冲真空控制系统满足高镍三元材料真空干燥的各种需求,随着科技的不断发展,对烘干控制系统的控制精度、工艺要求、实时性、运行的稳定性等因素有着越来越严格的要求,同时考虑了环保、节能等因素。随着计算机技术、通信网络技术的快速更新,更为优化的控制器和软件的…
常州百得研制新型新型耙式闭路循环干燥机结合现有各种干燥器的优点,开发一种新型的干燥器,具有广泛的工艺适用性并解决现代生产工艺提出的新问题。新设备针对化工、饲料领域粉体干燥工艺的需要,提供一种高效节能、粉体适用范围广、干燥效果高的复合传热型干燥设备。
复合加热真空干燥在保证溶剂类除草剂的质量上较其它干燥方式有着无可比拟的优势,百得干燥借鉴德国技术而研发的草铵膦专用单锥真空干燥机,针对含甲醇溶剂的农药中间体有很强的吸潮性,热敏性等特性,做了一系列周密设计,消除物料粘壁现象,提高了设备的利用率。
常州百得研制的闭路循环离心喷雾干燥机解决了有机溶媒的回收、易氧化及有毒物料干燥的难题,提高了物料回收率,达到安全、环保与节能效果,各项技术性能指标和工艺设计理念优势明显。
常州百得设计开发的过滤洗涤多功能干燥机将合成香料精制提纯处理工序中多个单元操作集中在一个设备内完成,该设备可在密闭环境下依次完成过滤、洗涤、干燥、固体卸料全过程,避免了转换工序时产品的输送损失和污染,非常适用于合成香料、人工香精等小批量特殊化学品的生产…