您好!欢迎访问 常州市百得干燥工程有限公司 官网!脉冲真空、闭路循环干燥设备的老牌生产厂家及大型工程整体解决方案提供商!
| 联系我们 | 网站首页

常州市百得干燥工程有限公司

—— Changzhou Baide Drying Engineering Co., Ltd ——

联系电话
0519-8918 6676
当前位置:首页 > 新闻中心 > 技术中心

高镍三元材料真空干燥机新型脉冲真空控制系统的运用

信息来源:本站 | 发布日期: 2020-06-19 07:02:52 | 浏览量:880795

    锂离子电池在工业化生产过程中,三元材料干燥是磁性异物引入的主要环节,选择好的干燥技术对降低磁性异物的引入量至关重要。常州百得干燥通过大量实验,将双锥真空干燥与其他传统的烘箱干燥、盘式干燥、闪蒸干燥进行对比,zui终采用单锥真空干燥机成功解决了锂离子电池高镍三元材料中磁性异物引入过高、干燥不均匀、分散性差、易团聚等问题。

高镍三元材料真空干燥机新型脉冲真空控制系统 功能需求
    高镍三元材料真空干燥机新型脉冲真空控制系统充分结合了计算机、人机界面组态、网络通信和工业智能等技术,使其成为一个综合性的控制系统。该系统要求能实时或定时的采集烘干控制所需的数据信息,即安装在各个检测点的温度传感器、压力传感器能够很好的检测到温度、压力值,将采集到的数据及时准确的传送给PLC控制器,并能把数据通过网络传送给工控上位机进行在线监控和传送下载到触摸屏里进行显示操控,在触摸屏里可设定烘
干的温度、压力和时间等参数。系统运行中,当达到设定温度时,对产品开始进行抽真空烘干,实现对产品进行安全稳定的烘干操控以及报警处理。具体所要实现的功能如下:
    (1) 整个真空烘干控制功能
    对产品的烘干,在触摸屏上能实现手动和自动烘干控制两种控制功能,在工控机上能实现远程的总体在线监控功能。
    (2) 数据通信处理功能
    控制模块能实时的接收传感器采集的温度、压力数据信息,并对显示的数据参数进行设置和修改,实现对数据的查询、存储、实时的输出数据的功能。
    (3) 实时报警功能
    通过设定温度、压力数据信息的上下限值,报警系统能判断出对产品烘干时的数据参数是否超出了要求的范围值。
    (4) 数据库管理
    系统采用Win CC自带报表系统可以将组态和运行系统产生的数据进行归档处理,使组态数据和烘干数据以电子表格的形式来存储管理。
    (5) 传感器故障诊断的管理功能
    当信息采集点处的传感器发生故障时,会造成采集的数据不及时准确,甚至出现漏报现象,使整个控制不能正常的执行任务。所以很必要对系统中的传感器进行故障诊断,并且通过软件预测及管理,能及时发现故障以及做出相应的处理。

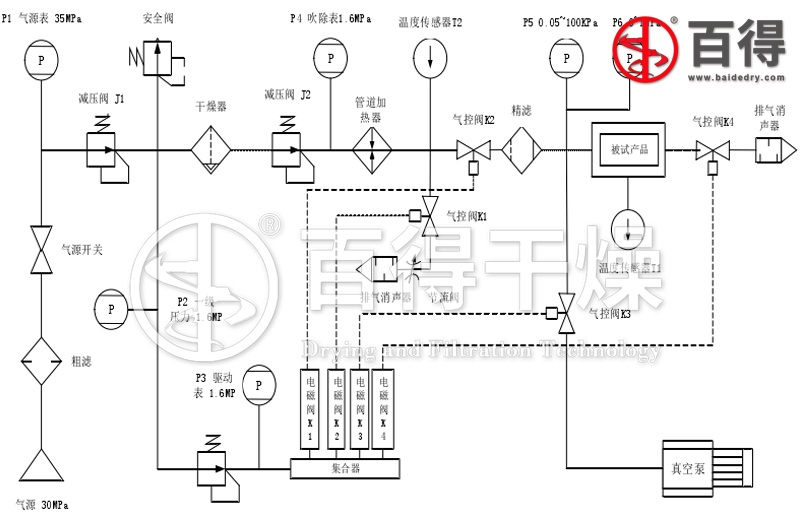
高镍三元材料真空干燥机新型脉冲真空控制系统  工艺流程设计 
    高镍三元材料真空干燥机新型脉冲真空控制系统 的工艺设计必须全面考虑系统的可实施性、可靠性和运行的稳定性等因素,去合理的布局设计,满足系统的烘干要求。在设计出系统的工艺流程之前,必须先制定设备的技术指标和指明测控功能要求。其中,具体的设备技术指标如下:
    (1) 高镍三元材料真空干燥机适用温度范围:~160℃,控制温度zui大波动范围在±2℃。
    (2) 气体管路吹除加热系统要求:
      ① 供气介质:空气或氮气;
      ② 供气系统的输出压力范围:0~0.8MPa;
      ③ 气源系统的输入压力范围:0~30MPa; 
      ④ 吹除气体介质温度范围:20~60℃,控制温度zui大波动范围±5℃。
    (3) 抽真空系统要求
      ① 抽吸介质:热空气及水蒸气;
      ② 运行真空压力小于等于:100Pa;
      ③ 具备5min之内将1000L容积抽至5000Pa(绝压)以下的能力。
    (4) 测量仪表要求
      ① 吹除气体温度测量精度优于:0.5%FS(引用误差);
      ② 温度测量精度优于:1%FS;
      ③ 真空度压力测量精度优于:0.25%FS。
    (5) 系统管路要求
      ① 过滤精度:不大于10μm;
      ② 整个系统管路zui小通径处大于等于6mm。
    (6) 使用环境和条件要求
      ① 在海拔1000m及以下使用;
      ② 室温~40℃环境下工作正常可靠;
      ③ 供电电源:380V。

高镍三元材料真空干燥机新型脉冲真空控制系统  工作可靠性要求
    高镍三元材料真空干燥机新型脉冲真空控制系统能够满足长时间工作的要求,长时间工作状态下应具有可靠性。而整个系统的测控功能要求:
    (1) 试验控制应为可编程控制器控制,自动化程度高,具有无人值守自动运行功能。可自动记录试验过程参数(如烘干温度、热吹除空气压力、热吹除空气温度等);
    (2) 该设备需具备自动控制的编辑功能,可设置烘干时间、烘干温度、静置时间、吹除时间、抽真空时间、间隔时间、热压缩空气压力、热压缩空气温度等参数;
    (3) 控制程序发出控制指令到电磁阀、真空泵的动作响应时间不超过1s,控制程序可控的zui长时间为系统工作的zui长时间;
    (4) 系统可测量显示当地大气压,并且真空度以绝压显示,其他压力测点可以绝压和表压显示;
    (5) 系统抗干扰能力强,满足电磁兼容要求,具有漏电保护功能。另外,如果发生故障,可以实时记录故障情况,按故障类型进行报警,同时停止相关工作(如切断热空气源、排出气体、停止工作)。

    新型脉冲真空控制系统满足高镍三元材料真空干燥的各种需求,随着科技的不断发展,对烘干控制系统的控制精度、工艺要求、实时性、运行的稳定性等因素有着越来越严格的要求,同时考虑了环保、节能等因素。随着计算机技术、通信网络技术的快速更新,更为优化的控制器和软件的开发应用,促进了烘干控制领域技术的发展。

相关文章
相关产品

Top