常州市百得干燥工程有限公司
—— Changzhou Baide Drying Engineering Co., Ltd ——
- 联系电话
- 0519-8918 6676

由于危险化学品生产具有较高的危险性,在使用三合一过滤洗涤干燥机对其进行加工生产的过程中,还需要注重对其中一些危险因素加以控制,才能够更好地保证生产的安全性。
平板式过滤洗涤干燥三合一的耐腐蚀结构,往往是对聚乙烯、聚四氟乙烯、钛材或哈氏合金等几种材料进行合理选择后的一个组合结构。材料选择越合理,耐腐蚀性能越可靠。百得干燥在这方面做了大量的设计研发工作,研究出了较合理的耐腐蚀结构,既解决了很多强腐蚀介质的过滤洗…
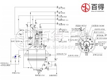
常州百得在原有普通型双锥回转真空干燥机的基础上进行改进,使其具有反应、浓缩或结晶、过滤或离心脱水、洗涤、干燥多种功能与一体,达到一机多用的目的,使易燃易爆物料后处理过程可在一台设备内、全密闭工艺下完成生产,极大提高了生产的安全性,大大降低设备投资,减少…
常州百得鉴于真空单锥干燥机的安全事故,在粉体移料过程中静电问题及发生爆炸,对单锥干燥器本身的安全要求,以及与单锥干燥器连接设备的安全进行分析,浅谈单锥干燥器原料药粉体烘干分装使用的注意事项。
针对无菌原料药快速干燥与混合而开发的新一代单锥脉冲混合干燥机,增加了脉冲混合装置,混合更加快速均匀;在螺带搅拌上增加加热功能,大大提高了干燥的效率。高效、节能、安全,现已广泛应用于药品、生物制品、精细化工、食品等行业粉体的混合与干燥。
四合一双锥真空干燥机作为集真空过滤、洗涤、干燥、真空粉碎多功能于一体的干燥机,是常州百得吸收国外“四合一”设备的先进技术,结合国内实际情况进行优化设计制作的。它整体设计更趋紧凑,结构设计简单合理,能够替代进口的“四合一”设备。
无菌级粉碎混合球形干燥机集干燥、真空粉碎、混合于一体的多功能设备,采用顶部或底部驱动,干燥主体分为上球体和下球体,上下球体之间通过铰链连接,球形无死角内腔,可实现安装于两层楼之间,有效的克服了制药无菌生产中的难题,是满足新版GMP要求的新型干燥设备。…
结晶过滤洗涤干燥四合一多功能设备耐腐蚀结构的设计和研发则更重要,而碰到这些物料总不能都采用哈氏合金等贵金属材料。常州百得在这方面做了大量的设计研发工作,研究出了较合理的耐腐蚀结构,既解决了很多强腐蚀介质的过滤洗涤问题,同时在价格上也能让用户接受。
闭路循环干燥机为全密闭式构造,机器设备內部充进稀有气体(如N2),在干躁厌氧发酵原材料或含易燃易爆物品特性溶媒的原材料时,使汽体中沒有co2,没法点燃或空气氧化,就可合理防止机器设备在生产制造时产生着火或爆炸事件,因此比一般机器设备更安全性。
为了使磷酸铁锂专用喷雾干燥机适宜于大规模工业化生产,必须通过试验掌握准确的工艺参数,常州百得将球磨后的溶液进行喷雾干燥。在使用实验喷雾干燥机的过程中发现,进口温度、进样量、喷嘴内径等都是可调控参数,这些影响因素直接影响着产品的含水量,甚至是颗粒的外型结…