常州市百得干燥工程有限公司
—— Changzhou Baide Drying Engineering Co., Ltd ——
- 联系电话
- 0519-8918 6676

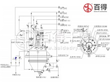
四合一双锥干燥机是常州百得根据原料药精烘包生产线工艺要求研制开发成功的新一代多功能干燥设备,它集(结晶、过滤、洗涤、干燥、真空破碎等)功能于一体,配合智能化的控制系统,能够满足不同的物料不同的工艺处理,系统满足和符合2010版“GMP”的生产要求。
作为含溶剂的热敏性物料,二氯苯腈的后处理过程中,既要防止物料过热升华,又要系统密闭,生产安全。常州百得设计制造的新型真空盘式干燥机利用在真空状态下,湿分蒸汽分压和沸点降低,料温低,既可避免热衰减分解,又加大了温差推动力,促进湿分蒸发和干燥过程进行,缩短…
现有的金刚线切割硅泥制粒干燥机干燥效果差,耗能高,而且排放的尾气污染了环境。常州百得申请的硅泥干燥机发明专利所要解决的技术问题是针对上述现有技术的不足提供一种智能化金刚线切割硅泥制粒干燥机,其实现各个单元的独立循环,强制通风,具有较高的稳定性和高效节能…
新型多功能筒锥式反应过滤干燥机通过改进设备结构和优化工艺流程,提高了系统处理效果,其占地面积少,造价便宜,便于生产加工,劳动强度降低、物料损耗大大减小。而且对于有毒或者易燃易爆等对密封要求特别高的操作,尤其适合,对工人身体、周边环境几乎无影响。
常州百得研制的筒锥式反应过滤干燥多功能机,一机多用,可在一台机内完成反应、萃取、过滤、反复多次过滤洗涤、干燥等多种操作,并直接得到成品,其独特优越性必将在化工、医药、食品、冶金、轻纺等领域得到更广泛的应用。
在这春光大好的时节,订单的频频袭来,应用于国内某^企业的硬质合金物料的单锥真空干燥机更是一枝独秀。百得干燥研制出了高效单锥真空干燥机,生产自动化水平高,生产出的混合料流动性能好,松装密度稳定,粒度分布均匀,产量大,能满足高质量、高性能、大批量硬质合金…
新一代单锥真空干燥机解决了困扰精细化工企业干燥的诸多难题,为企业降低成本,节约能耗,提高效率做出了^的贡献。该设备可针对物料的不同特性结合不同的干燥工艺而改进相关装置以保证物料的干燥质量和干燥效率。并对液态或半液态粘性物料的干燥可实现一次完成。
百得干燥设计研制的双锥回转真空干燥机已成功地应用于电解铜粉工业生产,在提高产品质量和降低生产成本方面,显示出很大的优越性,是一种比较 理想、适于电解铜粉工业生产的新型干燥工艺,使生产企业更加具有进入市场的能力及提高市场占有能力。
绿草定钾盐真空单锥干燥机是百得干燥开发的新一代搅拌型真空干燥器,采用先进的真空干燥技术,能够满足新型除草剂烘干、冷却和溶剂回收等工艺要求,尤其适用于比重大、粘稠和敏感度高或者含有有毒或爆炸性溶剂的产品。
百得干燥都不甘于照搬传统带式干燥机模板,每台设备,每个细节,都经过了反复推敲,进行过技术整改,力争做到尽善尽美。众多行业里带式干燥机的持续热销,验证了百得“技术立企”核心理念的强大活力。